Xiamen ZT Technology Co., Ltd.  Email: sales@zntar.com   zntarjason@gmai.com

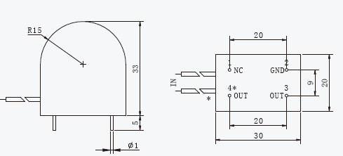
TR0107-4C Voltage Output Type Current Transformer used for measuring

TR0107-4C Voltage Output Type Current Transformer used for measuring

TR0107-4C Voltage Output Type Current Transformer used for measuring

Input

0-10A

Output

As per your request

Φ

0mm

Email: sales@zntar.com

More details


TR0107-4C Voltage Output Type Current Transformer used for measuring

Production Description

Voltage Output Type Current converter used for measuring

Performance Indicators

Parameter

Symbol

Indicator

Rated Input current

In

0~10A

Secondary output

VO

0~10V

Precision level

ρ

0.1 level

Maximum overload multiple

2times

Phase difference of the rated site

δ

0ˊ~10ˊ

Withstand voltage

Vd

3000V/min

Dielectric strength

1000MΩ/500V/min

Working temperature

Ta

-25℃ ~ +65℃

Storage temperature

Ts

-40℃ ~ +80℃

Working frequency

f

45Hz ~1250Hz

Relative Humidity

<90%

Enclosure material

Fire retardation PBT/Fire retardation ABS

Product Features

High precision, excellent consistency.

Simple circuit, the external working power supply is not necessary, reliable run.

PCB installation mode. Directly welded on the circuit board.

Current voltage is converted to be in place at one time, and the detected voltage is converted separately into voltage output. outputted directly.

Product Application

 

Main specifications

Rated Input

Output

Power consumption

Precision

Angular difference

Maximum Current Measurement (A)

1A

2.88V

<0.5VA

0.1

<10ˊ

1.2

1A

7.07V

<0.5VA

0.1

<10ˊ

1.2

1.2A

3.53V

<0.5VA

0.1

<10ˊ

1.2

1.2A

7.07V

<0.5VA

0.1

<10ˊ

1.2

2A

3.53V

<0.5VA

0.1

<10ˊ

2

5A

7.07V

<0.5VA

0.1

<10ˊ

6

5A

10V

<0.5VA

0.1

<10ˊ

6

6A

5V

<0.5VA

0.1

<10ˊ

6

10A

7.07V

<0.5VA

0.1

<10ˊ

10

Remarks

 Above specifications are stock, also, they can be designed based on customers requirements.

 TR0107-4C Voltage Output Type Current Transformer used for measuring

 

 


Products Category

Contact Us

 Contact: Mr. Jason Zeng
   sales@zntar.com
zntarjason@gmail.com
  Skype: zntarjason
Cell: 86-15880217206
Tel.: 86-592-6220649   
Fax: 86-592-6220649