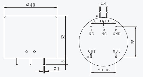
TR0101-2B Current Transformer Used for Common Protection
|
TR0101-2B Current Transformer Used for Common Protection |
|
|
Input |
0-200A |
|
Output |
As per your request |
|
Φ |
0mm |
|
Email: sales@zntar.com |
|
|
TR0101-2B Current Transformer Used for Common Protection |
|
|
Input |
0-200A |
|
Output |
As per your request |
|
Φ |
0mm |
|
Email: sales@zntar.com |
|
TR0101-2B Current Transformer Used for Common Protection
|
Production Description |
Voltage output type current converter used for protection. |
|||||
|
Performance Indicators |
Parameter |
Symbol |
Indicator |
|||
|
Rated Input current |
In |
0~10A |
||||
|
Secondary output |
VO |
0~10V |
||||
|
Precision level |
ρ |
0.1level |
||||
|
Maximum overload multiple |
- |
60 times |
||||
|
Phase difference of the rated site |
δ |
0ˊ~10ˊ |
||||
|
Withstand voltage |
Vd |
3000V/min |
||||
|
Dielectric strength |
- |
1000MΩ/500V/min |
||||
|
Working temperature |
Ta |
-25℃ ~ +65℃ |
||||
|
Storage temperature |
Ts |
-40℃ ~ +80℃ |
||||
|
Working frequency |
f |
45Hz ~1250Hz |
||||
|
Relative Humidity |
- |
<90% |
||||
|
Enclosure material |
- |
Fire retardation PBT/Fire retardation ABS |
||||
|
Product Features |
High precision, excellent consistency. |
|||||
|
Simple circuit, the external working power supply is not necessary, reliable run. |
||||||
|
Excellent overload capacity. Capable of enduring the transient blast of 10-60 times of the rated current without waveform distortion with undersaturation. |
||||||
|
Current voltage is converted to be in place at one time, and the detected voltage is converted separately into voltage output. outputted directly. |
||||||
|
Product Application |
|
|||||
|
Main specifications |
specification |
Input current rated value(A) |
Outputvoltage rated value(V) |
Precision |
Angular difference |
Maximum overload current (A) |
|
20A/3.53V |
1 |
0.3535 |
0.1 |
<10ˊ |
20 |
|
|
50A/4V |
5 |
0.4 |
0.1 |
<10ˊ |
50 |
|
|
100A/3.53V |
5 |
0.1765 |
0.1 |
<10ˊ |
100 |
|
|
100A/7.07V |
5 |
0.3535 |
0.1 |
<10ˊ |
100 |
|
|
100A/10V |
5 |
0.5 |
0.1 |
<10ˊ |
100 |
|
|
150A/3.53V |
5 |
0.1177 |
0.1 |
<10ˊ |
150 |
|
|
200A/7.07V |
5 |
0.176 |
0.1 |
<10ˊ |
200 |
|
|
Remarks |
Above specifications are stock, also, they can be designed based on customers requirements. |
|||||

« TR0135-2B Current Transformer Used for Common Protection TR0107-2B Current Transformer Used for Common Protection »