Xiamen ZT Technology Co., Ltd.  Email: sales@zntar.com   zntarjason@gmai.com

TR1139-1SB Anti-interference type voltage Transformer with double shield

TR1139-1SB Anti-interference type voltage Transformer with double shield

TR1139-1SB Anti-interference type voltage Transformer with double shield

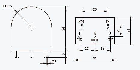
Input

0-380V

Output

0-10V

Φ

0mm

Email: sales@zntar.com

More details


TR1139-1SB Anti-interference type voltage Transformer with double shield

Production Description

Anti-interference type voltage converter with double shield.

Performance Indicators

Parameter

Symbol

Indicator

Rated Inputvoltage

Vn

0~380V

Secondary output

VO

0~10V

Precision level

ρ

0.1 level

Maximum overload multiple

2times

Phase difference of the rated site

δ

0ˊ~10ˊ

Withstand voltage

Vd

3000V/min

Dielectric strength

1000MΩ/500V/min

Working temperature

Ta

-25℃ ~ +65℃

Storage temperature

Ts

-40℃ ~ +80℃

Working frequency

f

45Hz ~1250Hz

Relative Humidity

<90%

Enclosure material

Fire retardation PBT/Fire retardation ABS

Product Features

This product has a metal shielded enclosure with very strong anti-interference capacity.

Small, excellent linearity, high precision, wide working range.

No resistor at the primary side with voltage directly inputted and voltage outputted directly by the secondary side.

Simple circuit, reliable run, excellent consistency.

Product Application

 

Main specifications

Rated Input

Output

No-load  current

Precision

Angular difference

Overload multiple of input voltage

57.7V

3.53V

<0.5mA

0.1

<10ˊ

1.2

100V

2.88V

<0.5mA

0.1

<10ˊ

1.5

100V

3.53V

<0.5mA

0.1

<10ˊ

1.5

100V

7.07V

<0.5mA

0.1

<10ˊ

1.5

110V

3.53V

<0.5mA

0.1

<10ˊ

1.5

120V

7.07V

<0.5mA

0.1

<10ˊ

1.2

200V

3.53V

<0.5mA

0.1

<10ˊ

1.2

300V

5V

<2mA

0.1

<10ˊ

1.2

450V

7.07V

<2mA

0.1

<10ˊ

1.2

Remarks

  Above specifications are stock, also, they can be designed based on customers requirements.

 

TR1139-1SB Anti-interference type voltage Transformer with double shield

 

Products Category

Contact Us

 Contact: Mr. Jason Zeng
   sales@zntar.com
zntarjason@gmail.com
  Skype: zntarjason
Cell: 86-15880217206
Tel.: 86-592-6220649   
Fax: 86-592-6220649