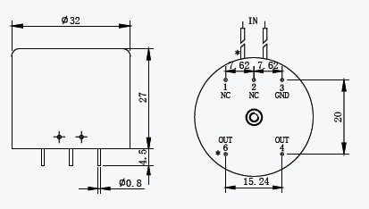
TR1102-2B Voltage Transformer used for protection
|
TR1102-2B Voltage Transformer used for protection |
|
|
Input |
0-380V |
|
Output |
0-10V |
|
Φ |
0mm |
|
Email: sales@zntar.com |
|
|
TR1102-2B Voltage Transformer used for protection |
|
|
Input |
0-380V |
|
Output |
0-10V |
|
Φ |
0mm |
|
Email: sales@zntar.com |
|
TR1102-2B Voltage Transformer used for protection
|
Production Description |
Voltage output type voltage converter used for protection. |
|||||
|
Performance Indicators |
Parameter |
Symbol |
Indicator |
|||
|
Rated Inputvoltage |
Vn |
0~380V |
||||
|
Secondary output |
VO |
0~10V |
||||
|
Precision level |
ρ |
0.1 level |
||||
|
Maximum overload multiple |
- |
2times |
||||
|
Phase difference of the rated site |
δ |
0ˊ~10ˊ |
||||
|
Withstand voltage |
Vd |
3000V/min |
||||
|
Dielectric strength |
- |
1000MΩ/500V/min |
||||
|
Working temperature |
Ta |
-25℃ ~ +65℃ |
||||
|
Storage temperature |
Ts |
-40℃ ~ +80℃ |
||||
|
Working frequency |
f |
45Hz ~1250Hz |
||||
|
Relative Humidity |
- |
<90% |
||||
|
Enclosure material |
- |
Fire retardation PBT/Fire retardation ABS |
||||
|
Product Features |
Excellent linearity, high precision, wide working range. |
|||||
|
No resistor at the primary side with voltage directly inputted and voltage outputted directly by the secondary side. |
||||||
|
Simple circuit, the external working power supply is not necessary, reliable run. |
||||||
|
Product Application |
|
|||||
|
Main specifications |
Rated Input |
Output |
No-load current |
Precision |
Angular difference |
Overload multiple of inpute voltage |
|
57.7V |
3.53V |
<0.5mA |
0.1 |
<10ˊ |
1.2 |
|
|
100V |
2.88V |
<0.5mA |
0.1 |
<10ˊ |
1.5 |
|
|
100V |
3.53V |
<0.5mA |
0.1 |
<10ˊ |
1.5 |
|
|
100V |
7.07V |
<0.5mA |
0.1 |
<10ˊ |
1.5 |
|
|
110V |
3.53V |
<0.5mA |
0.1 |
<10ˊ |
1.5 |
|
|
120V |
7.07V |
<0.5mA |
0.1 |
<10ˊ |
1.2 |
|
|
200V |
3.53V |
<0.5mA |
0.1 |
<10ˊ |
1.2 |
|
|
300V |
5V |
<2mA |
0.1 |
<10ˊ |
1.2 |
|
|
450V |
7.07V |
<2mA |
0.1 |
<10ˊ |
1.2 |
|
|
Remarks |
Above specifications are stock, also, they can be designed based on customers requirements. |
|||||

« TR1102-2B Voltage Transformer used for protection TR1139-1B Voltage Transformer used for protection »