TR2137-2 Ultramicro current transformer
|
TR2137-2 Ultramicro current transformer |
|
|
Input |
0-10A |
|
Output |
As per your request |
|
Φ |
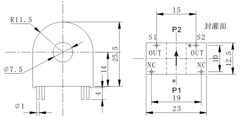
7.5mm |
|
Email: sales@zntar.com |
|
|
TR2137-2 Ultramicro current transformer |
|
|
Input |
0-10A |
|
Output |
As per your request |
|
Φ |
7.5mm |
|
Email: sales@zntar.com |
|
Ultramicro current transformer-TR2137-2
|
Production Description |
Sophisticated current transformer, pin output, for measuring and protection |
|||||
|
Performance Indicators |
Parameter |
Symbol |
Indicator |
|||
|
Rated Input current |
In |
0~10A |
||||
|
Rated Output Current |
IO |
0~10mA |
||||
|
Load resistance |
RL |
<200Ω |
||||
|
Precision level |
ρ |
0.1/0.2 level |
||||
|
Overload multiple |
- |
2 times |
||||
|
Phase difference of the rated site |
δ |
0ˊ~15ˊ |
||||
|
Withstand voltage |
Vd |
5000V/min |
||||
|
Dielectric strength |
- |
1000MΩ/500V/min |
||||
|
Working temperature |
Ta |
-25℃ ~ +65℃ |
||||
|
Storage temperature |
Ts |
-40℃ ~ +80℃ |
||||
|
Working frequency |
f |
45Hz ~10KHz |
||||
|
Relative Humidity |
- |
<90% |
||||
|
Enclosure material |
- |
Fire retardation PBT/Fire retardation ABS |
||||
|
Product Features |
Small and light, it is easier to be installed in a high density. |
|||||
|
satisfactory linearity |
||||||
|
Secondary current Output, strong anti-interference capacity. |
||||||
|
Product Application |
Applicable to electric network instrument , electrical quantity transducer, ammeter, detection and control equipment, etc.. |
|||||
|
Main specifications |
Input |
Output |
Load |
Precision |
Phase difference |
Overload multiple |
|
1A |
2.5mA |
<200Ω |
0.1/0.2 |
<15ˊ |
2 |
|
|
1A |
5mA |
<200Ω |
0.1/0.2 |
<15ˊ |
2 |
|
|
5A |
0.35mA |
<200Ω |
0.1/0.2 |
<15ˊ |
2 |
|
|
5A |
1.85mA |
<200Ω |
0.1/0.2 |
<15ˊ |
2 |
|
|
5A |
2.5mA |
<200Ω |
0.1/0.2 |
<15ˊ |
2 |
|
|
5A |
5mA |
<200Ω |
0.1/0.2 |
<15ˊ |
2 |
|
|
5A |
10mA |
<200Ω |
0.1/0.2 |
<15ˊ |
2 |
|
|
Usage |
To thread a turn of busbar through the reserved hole, after the rated current is inputted, the secondary will obtain low current at milliampere grade. Adjusting the feedback resistor, the needed voltage output is obtained at output terminal. In order to ensure a excellent linearity and obtain the needed voltage value, the resistance value should not be very high, generally less than 200Ω. This product also can be specially customed. |
|||||

« TR2120 Ultramicro current transformer TR2120-1 Ultramicro current transformer »