TR2174B Zero-phaseCurrent Transformer
|
Zero-phase current transformer-TR2174B |
|
|
Input |
0-5A |
|
Output |
As per your request |
|
Φ |
35mm |
|
Email: sales@zntar.com |
|
|
Zero-phase current transformer-TR2174B |
|
|
Input |
0-5A |
|
Output |
As per your request |
|
Φ |
35mm |
|
Email: sales@zntar.com |
|
Zero-phase Current Transformer TR2174B
|
Production Description |
High precision Zero-phase current transformer used for leakage protection. |
|
|||||||
|
Performance Indicators |
Parameter |
Symbol |
Indicator |
|
|||||
|
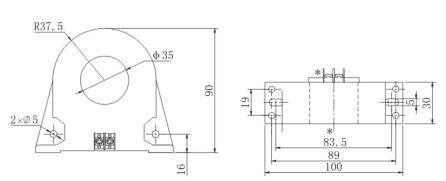
main dimension |
-- |
Internal hole /Length/Height/Thickness |
|
||||||
|
(35mm/100mm/90mm /35mm) |
|
||||||||
|
Once zero-sequence current |
In |
0~5A |
|
||||||
|
Secondary output current |
IO |
0~5V(0~5mA) |
|
||||||
|
Load resistance |
RL |
>10kΩ(<1kΩ) |
|
||||||
|
Precision level |
ρ |
0.2, 0.5 level |
|
||||||
|
Linearity range |
- |
5%~200% |
|
||||||
|
Phase difference of the rated site |
δ |
5ˊ~15ˊ |
|
||||||
|
Withstand voltage |
Vd |
3000V/min |
|
||||||
|
Dielectric strength |
- |
1000MΩ/500V/min |
|
||||||
|
Working temperature |
Ta |
-25℃ ~ +65℃ |
|
||||||
|
Storage temperature |
Ts |
-40℃ ~ +80℃ |
|
||||||
|
Working frequency |
f |
45Hz ~1500Hz |
|
||||||
|
Relative Humidity |
- |
<90% |
|
||||||
|
Enclosure material |
- |
Fire retardation PBT/Fire retardation ABS |
|
||||||
|
Product Features |
Sealing with epoxy resin, excellent antivibration capability. |
|
|||||||
|
Perforation method is used with the aperture Ф35mm, it is convenient for the installation of busbar. |
|
||||||||
|
High permeability material is used; Wide measurement range. |
|
||||||||
|
Beautiful, small, with flexible application.. |
|
||||||||
|
Product Application |
Used for electrical fire monitoring, fire and leakage prevention system, low current grounding system, electromagnetic relay protection, microcomputer protection, etc. |
|
|||||||
|
Main specifications |
Input |
Output |
Load |
Precision |
Phase difference |
Linearity range |
|
||
|
0.3A |
0.1V(0.3mA) |
--- |
0.2 |
<15ˊ |
5%~200% |
|
|||
|
0.5A |
0.2V(0.5mA) |
--- |
0.2 |
<15ˊ |
5%~200% |
|
|||
|
1A |
0.5V(4mA) |
--- |
0.2 |
<15ˊ |
5%~200% |
|
|||
|
2A |
2V(2mA) |
--- |
0.2 |
<15ˊ |
5%~200% |
|
|||
|
5A |
2V(5mA) |
--- |
0.2 |
<15ˊ |
5%~200% |
|
|||
|
Precautions |
During use, output type may be the output type with lead wire or the output with connector. |
||||||||

« TR21117B Zero-phase current transformer TR2169B Zero-phase Current Transformer »